Арматура для СИП ЭНЕРВИК
-
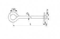
Применяется совместно с прокалывающими зажимами для организации четырех ответвлений от одного присоединения. Каждое ответвление присоединяется отдельным болтом.Количество:Герметичный прокалывающий зажим SEW20.7 предназначен для соединения без тяжения защищенных проводов с неизолированными проводами среднего напряжения до 35 кВ. Герметичность обеспечивается покрытием зубцов силиконом.Количество:Используется вместе с анкерными зажимами SO255, SO256 в качестве точки подключения переносного заземления и как устройство защиты от дуги.Количество:Крюкообразная гайка применяется в случае необходимости подвеса параллельной линии. Может применяться, как анкерный крюк.Количество:SH80 изготовлен из стали горячей оцинковки. тип код EAN D, мм L, мм В, мм макс. нагрузка масса,кг SH80 6418677407451 16 1800 30 1750 3.30Количество:Количество:
Спиральные виброгасители CO27 предназначены для контроля вибрации высокой частоты и являются особенно эффективными для заземляющих проводов и кабелей небольших размеров. CO27 имеют очень маленький вес и не сжимают кабель или кабель в месте крепления.
Количество:Спиральные виброгасители CO28 предназначены для контроля вибрации высокой частоты и являются особенно эффективными для заземляющих проводов и кабелей небольших размеров. CO28 имеют очень маленький вес и не сжимают кабель или кабель в месте крепления.
Количество:Применяется как для алюминиевых, так и для медных проводников. Момент затяжки составляет 10 Нм. Клеммники применяются внутри металлических опор или в отдельных щитах.
Количество:Клеммник KE10.506 применяется, как для алюминиевых, так и для медных проводников. Момент затяжки составляет 10 Nm. Клеммники применяются внутри металлических опор или в отдельных щитах.
Вставка ПВД (SVV) используются совместо с корпусом для предохранителей SV29.63. В комплект не входят,приобретаются отдельно. тип код EAN номин. ток плавкой вставки, А габарит количество в упаковке, шт. SVV10.50 6418677457944 50 III 25Количество:Количество:Кабельный наконечник с болтами со срывными головками
Al 6-50, Cu 6-35 mm² ø 8.5 mmКоличество:Кабельный наконечник с болтами со срывными головками
Количество:Кабельный наконечник с болтами со срывными головками
Al 6-50, Cu 6-35 мм² ø 12,5 ммКоличество:Кабельный наконечник с болтами со срывными головками
Al 50-95, Cu 50-70 мм² ø 10,5 ммКоличество:Кабельный наконечник с болтами со срывными головками
Количество:Кабельный наконечник с болтами со срывными головками
Al 50-95, Cu 50-70 мм² ø 14 ммКоличество:Кабельный наконечник с болтами со срывными головками
Al 95-185, Cu 95-150 мм² ø 12,5 ммКоличество:Кабельный наконечник с болтами со срывными головками
Al 95-185, Cu 95-150 мм² ø 16,5 ммКоличество:Кабельный наконечник с болтами со срывными головками
Al 150-300, Cu 150-240 мм² ø 12,5 мм.Количество:Кабельный наконечник с болтами со срывными головками
Al 150-300, Cu 150-240 мм² ø 16,5 мм.Количество:Ограничитель перенапряжений.
Uнр = 7.65 кВ, Iн = 10 кА, Класс 1
Количество:Ограничитель перенапряжений.
Uнр = 7.65 кВ, Iн = 10 кА, Класс 1
Количество:Ограничитель перенапряжений
Uнр = 12.7 кВ, Iн = 10 кА, Класс 1
Количество:Ограничитель перенапряжений
Uнр = 10.2 кВ, Iн = 10 кА, Класс 1
Количество:Ограничитель перенапряжений
Uнр = 20 кВ, Iн = 10 кА, Класс 1
Арматура для монтажа СИП-провода
Высококачественная арматура для монтажа самонесущего изолированного провода, представлена у нас в широком ассортименте. Постоянно расширяемый ассортимент включает в себя лучшие образцы арматуры для самонесущих изолированных проводов. Надежная арматура для СИП представлена изделиями для различных вариантов самонесущего провода, обеспечивая возможность прочного крепления проводников для безопасной эксплуатации электросети. В ассортименте представлены зажимы различного конструктивного исполнения, используемые для анкерного крепления провода, а также для создания необходимого количества ответвлений.
Герметичная СИП-арматура оснащена силиконовыми уплотнителями, исключающими проникновение влаги внутрь провода при выполнении прокола изолирующего слоя. Широкий ассортимент наконечников, изготовленных из коррозионностойких сплавов, позволяет подобрать наиболее удобный вариант для подключения провода к шинам распределительных щитов. Применение прокалывающих зажимов обеспечивает быстрый монтаж и стабильную эксплуатацию электросети за счет высокого качества получаемых контактных соединений.
Надежная арматура для СИП-кабеля, представленная в нашем ассортименте, включает в себя весь спектр компонентов, необходимых для организации быстрого электромонтажа, выполняемого в соответствии с установленными техническими требованиями. Различные варианты стальных оцинкованных крюков обеспечивают надежное крепление монтажных элементах на деревянных и железобетонных опорах, а также на стеновых поверхностях зданий. Ассортимент настенных креплений включает в себя фасадные фиксаторы, формирующих заданное расстояние между монтируемым проводом и стеновой поверхностью.
Мы поставляем высококлассную арматуру для прокладки самонесущего изолированного провода во все регионы России, а также в страны СНГ. Профессиональные консультации, предоставляемые нашими специалистами, помогают оформить оптимальную комплектацию заказа в соответствии с запланированным объемом работ.
