Арматура для СИП ЭНЕРВИК
-
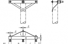
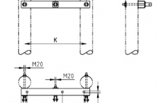
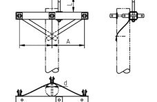
Композитные натяжные изоляторы серии SDI90 используются на линиях 10 кВ, изоляторы серии SDI90.280 — на линиях до 20 кВ, изоляторы серии SDI90.350 — на линиях до 35 кВ. Механическая прочность изоляторов 70 кН. SH195 - промежуточное звено. тип код EAN длина пути утечки, мм номинальное напряжение, кВ тип наконечников масса, г количество в упаковке,...Количество:Дугозащитный рог PSS465 для анкерных зажимов используется с анкерными зажимами SO85, S0105 и SO146 на защищенных проводах. Дугозащитный рог изготовлен из стали горячей оцинковки и снабжен болтом и гайкой. тип код EAN масса, г количество в упаковке, шт. PSS465 6418677401282 215 25Количество:Защитный кожух SP15 для ответвительных зажимов применяется для защиты зажимов от атмосферных осадков. Кожух устанавливается дренажными отверстиями вниз. Кожухи изготовлены из пластмассы, стойкой к атмосферным воздействиям и ультрафиолетовому излучению. тип код EAN тип зажима масса, г количество в упаковке, шт. SP15 6418677405211 SL4.25, SL37.1, SL37.2, SL39.2 30 100Количество:Траверса SH155 применяется для одноцепных концевых опор с горизонтальным расположением фаз. На ВЛЗ 6-20 кВ применяется совместно с натяжными изоляторами SDI90.150 и поддерживающим зажимом SO235, SO236. Изоляторы и зажим заказываются отдельно. тип код EAN А, мм B, мм C, мм d1, мм d, мм масса, кг SH155 6418677406867 450 515 315 27,0 M20 20,5Количество:Сквозной крюк типа SOT8.21 изготовлен из стали горячей оцинковки. Он применяется на линиях электропередачи с проводом СИП. тип код EAN D, мм L, мм B, мм A, мм к, мм МРН, FX, кН МРН, Fy, кН масса, г кол-во в упаковке, шт.. SOT8.21 6418677410345 M20 200 120 20 80 15.2 4.5 1250Количество:Монтаж изолированных проводников (СИП) должен производиться только при помощи монтажных роликов. Ролики ST26.1 и ST26.11 имеют один пластиковый диск, используются на прямых участках линии и при малых углах поворота линии - до 30°. Двойной ролик ST26.22 применяется при больших углах поворота линии - до 90°. Ролик ST26.33 имеет один диск из алюминиевого сплава на шариковых подшипниках. тип код...Количество:Анкерные зажимы SO118.1201S применяются для анкерного крепления 4-жильного СИП. Зажим S0118.1201S оснащен болтами со срывными головками. тип код EAN сечение проводов, мм2 диаметр провода, мм МРН, кН масса, г количество в упаковке, шт. S0118.1201S 6418677442247 4х50 / 4х70 / 4x95 / 4x120 10.8-16.7 23 / 33 / 35 /35 1200 10Количество:Для промежуточных и угловых опор крепления самонесущей системы СИП - 2 широко используется комплект промежуточной подвески SO260, который можно заказать у нас на сайте. Компания «БазисЭнерго» является ведущим поставщиком электротехнического оборудования от ведущих производителей. Компания предлагает выгодные цены и условия поставки по всей территории РФ. Комплект используется для подвески самонесущих проводников с изолированным...Количество:Компания «БазисЭнерго» осуществляет поставку комплектующих для линий электропередачи, как комплексных проектов, так и поставки отдельных наименований продукции, такой как поддерживающий зажим SO214 и многой другой. Применяется для крепления несущего проводника СИП на промежуточных и угловых опорах при углах поворота трассы до 90°. тип код EAN сечение проводов, мм2 диаметр провода, мм МРН,...Количество:Влагозащищенный изолированный прокалывающий зажим SLIP22.127 применяется для соединения неизолированных алюминиевых или медных проводников с изолированными алюминиевыми или медными проводниками при строительстве линий электропередачи с использованием СИП. Данное изделие представлено в каталоге нашей компании наряду с другими позициями арматуры СИП. Менеджеры компании «БазисЭнерго» помогут подобрать готовые комплексные решения и...Количество:Плашечные зажимы SM1.11, SM2.11, SM2.21, SM2.25, SM4.21 применяются для соединения алюминиевых и медных проводников. Зажимы зачищен и обработан смазкой антиоксидантом, таким образом только проводник требует зачистки и обработки. Верхний контакт зажимов SM2.21 и SM2.25 разделен на 2 части, таким образом, чтобы присоединить 2 медных проводника разных диаметров. тип код...Количество:Шины заземления PSS396 используются на трансформаторных подстанциях для заземления при помощи аппаратных шинных зажимов. К шинам типа PSS396 возможно присоединение пяти шинных зажимов. Заземляющие проводники присоединяются с помощью шинных зажимов: медь 16-185 мм2 - KG20; алюминий 16-120 мм2 - KG16, 50-240 мм2 - KG43. тип код EAN шина, мм2 зажимы, шт. масса, г количество в упаковке,...Количество:Применяются для соединения неизолированных несущих проводников. Автоматические соединительные зажимы надежны и легко монтируются без применения дополнительных инструментов. тип код EAN сечение проводов, мм2 диаметр проводов, мм цвет маркировки масса, г количество в упаковке, шт. CIL2 6418677409073 70-95 9.3-11.7 Желтый/Серый 350 25Количество:ВНИМАНИЕ! ВОЗМОЖНА СМЕНА МАРКИРОВКИ ПО ПИСЬМУ ЗАВОДА-ИЗГОТОВИТЕЛЯ! Уточняйте информацию по наличию остатков, или вариантах замены. Письмо о замене мачтовых рубильников серии SZ Мачтовые рубильники рассчитаны на предохранители типа ППН-37 габарит 2 на токи от 40 до 400 А. тип код EAN кол-во полюсов сечение проводов, мм2 зажимы масса, г количество в упаковке,...Количество:Дистанционный бандаж типа SO79.1 используется для фасадного крепления кабелей и проводов СИП вдоль металлических и железобетонных опор. В комплект SO79.1 входит бандажная лента. тип код EAN D, мм просвет, мм длина бандажной ленты, мм масса, г количество в упаковке, шт. SO79.1 6418677405006 45 25 1000 180 50Количество:Поддерживающий зажим SO150 применяется для универсального кабеля с наружным диаметром 30-70 мм на прямых участках линии и угловых опорах. Поддерживающий зажим применяется также для раскатки кабеля. После этого кабель закрепляется в зажиме с необходимым усилием. Поддерживающий зажим применяется на угловых опорах до 30° в зависимости от нормированного радиуса изгиба и натяжного усилия на кабель. тип код EAN усилие...Количество:Маркеры проводов SP43 применяются для того, чтобы сделать провод видимым. Устанавливаются на пересечениях водных путей, автомобильных дорог, в местах миграции птиц и вблизи аэропортов. Предотвращают схлестывание проводов. Легко устанавливаются на линии при помощи любой стандартной оперативной штанги, например, СТ48. Используются на проводах А, АС, ААС, АААС, ACSR и стальных проводах. Маркеры проводов изготовлены из пластмассы, стойкой к...Количество:Номера фаз PEM241 используются на проводах для обозначения номеров фаз и изготовлены из пластмассы, стойкой к атмосферным осадкам и ультрафиолетовому излучению. Номера крепятся с помощью нейлоновых ремешков. тип код EAN номер фазы масса, г количество в упаковке, шт. PEM241.2 6418677400476 2 7 100Количество:Керамический изолятор оттяжки SDI4.5 на 24 кВ применяется для установки на тросе оттяжки 16-68 мм2. Соответствует стандарту SFS 3741. Длина пути утечки 110 мм. тип код EAN Рабочая нагрузка, кН минимальная разрушающая нагрузка при растяжении, кн масса, г количество в упаковке, шт. SDI4.5 6418677418556 12,5 120 1700 6Количество:Устройства защиты от дуги типа SEW21.2 Используются на ВЛ с защищенными проводами для защиты от дуги. Устанавливаются без снятия изоляции. Устройства включают в себя зажим SEW21 и дугозащит- ный рог, который также может быть использован для подключения временного заземления. Устройства снабжены элементом для установки алюминиевой проволоки-шунта, который соединяет устройства с шейкой изолятора. Могут комплектоваться шунтом PSS494...Количество:Искровые разрядники SDI 20.2 используются с защищенными проводами ВЛ 10-35 кВ, применяются на траверсах прямых линий для создания защитного искрового промежутка. Комплект включает в себя устройство защиты от дуги SE20.1, дополнительный рог с кронштейном PSS715. Искровой промежуток регулируется. SDI20.2 применяется при использовании опорного изолятора. тип код EAN масса, г количество в упаковке,...Количество:Оперативный ответвительный зажим SL30.1 используется для оперативного ответвления от неизолированных проводов. Для защищенных проводов этот зажим можно использовать совместно с зажимом SL36 и скобой PSS923 или PSS924. Корпус выполнен из коррозионностойкого алюминиевого сплава. Болты - из нержавеющей стали. Для медных проводов необходимо использовать гильзу PSS830. Монтаж зажима может быть произведен шт.ангой (например,...Количество:Траверса SH156 применяется для одноцепных концевых опор с горизонтальным расположением фаз. На ВЛЗ 6-20 кВ применяется совместно с натяжными изоляторами SDI90.150 и поддерживающим зажимом SO235, SO236. Изоляторы и зажим заказываются отдельно. тип код EAN А, мм к, мм B, мм C, мм d1, мм масса, кг SH156 6418677406874 450 900 515 315 27 19,5Количество:Проходные болты типа SOT4.8 применяются для крепления крюкообразной гайки. тип код EAN D, мм L, мм B, мм с, мм МРН, FX, кН МРН, Fy, кН масса, г кол-во в упаковке, шт.. SOT4.8 6418677410079 M16 240 120 25 100 60 500 20Количество:Ключ CT164 стальной с резиновой рукояткой, двусторонний - на 13 и 17 мм используется при монтаже арматуры СИП. тип код EAN Размер болтов, мм длина, мм масса, г количество в упаковке, шт.. CT164 6418677414213 13 и 17 280 254 1Количество:Анкерные зажимы SO117.50952S для 4-х жильного СИП, то оформите свой заказ у нас на сайте. Применяются для анкерного крепления 4-жильного СИП. Оснащены болтами со срывными головками. тип код EAN сечение проводов, мм2 диаметр провода, мм МРН, кН масса, г количество в упаковке, шт. S0117.50952S 6418677442285 4х(50-95) 10.8-15.8 16.6/23 1350 10Количество:Компания «БазисЭнерго», ведущий поставщик на рынке энергетики, осуществляет поставки арматуры СИП от ведущих производителей во все регионы РФ. На сайте компании вы можете оформить заявку на влагозащищенные изолированные прокалывающие зажимы SLIP32.2 и SLIP32.21 и другие позиции для строительстве, ремонта и реконструкции линий электропередачи. SLIP32.2 предназначен для соединения изолированных алюминиевых или медных проводников....Количество:Компания «БазисЭнерго», ведущий поставщик на рынке энергетики, осуществляет поставки арматуры СИП от ведущих производителей во все регионы РФ. На сайте компании вы можете оформить заявку на влагозащищенные изолированные прокалывающие зажимы SLIP32.21 и другие позиции для строительстве, ремонта и реконструкции линий электропередачи. SLIP32.21 предназначен для соединения неизолированных алюминиевых или медных проводников с...Количество:Количество:Шина заземления выполнена из луженой меди, винты - из оцинкованной стали, изолирующие распорки - из атмосферостойкого пластика. тип код EAN сечение проводов, мм2 масса, г количество в упаковке, шт. PSS431 6418677401251 5x50 Cu 110 25Количество:Применяются для соединения изолированных несущих проводников. Концы соединяемых жил должны быть зачищены. Автоматические соединительные зажимы надежны и легко монтируются без применения дополнительных инструментов. Соединительные комплекты включают изолирующую термоусаживаемую трубку и абразивную бумагу. тип код EAN сечение проводов, мм2 диаметр проводов, мм цвет маркировки масса, г количество в упаковке,...Количество:ВНИМАНИЕ! ВОЗМОЖНА СМЕНА МАРКИРОВКИ ПО ПИСЬМУ ЗАВОДА-ИЗГОТОВИТЕЛЯ! Уточняйте информацию по наличию остатков, или вариантах замены. Письмо о замене мачтовых рубильников серии SZ Мачтовые рубильники рассчитаны на предохранители типа ППН-37 габарит 2 на токи от 40 до 400 А. Изолирующие крышки закрывают приходящие/отходящие проводники пофазно. тип код EAN кол-во полюсов сечение проводов,...Количество:Мультискобка SO103 используется для фасадного крепления проводников СИП или кабелей. тип код EAN D, мм просвет, мм крепежный элемент масса, г количество в упаковке, шт. SO103 6418677404023 16-25 5 50х2.5 винт 10 100Количество:Срывающееся звено SO135.150 применяется на прямых участках линии и угловых опорах. Минимальная разрушающая нагрузка 15 кН. Цель срывающегося звена - защита кабеля. Звено монтируется между крюком и поддерживающим зажимом. тип код EAN масса, г количество в упаковке, шт. SO135.150 6418677404351 100 25Количество:Заградительные авиационные шары SP48.1 привлекают внимание к воздушным линиям электропередачи, на которых они подвешены. Диаметр шаров 600 мм. Диаметр провода 9-20 мм. Монтаж легко производить с подъемного транспортного средства. Шар состоит из двух полушарий и монтажной планки, которые крепятся к проводам с помощью ответвительного зажима. Заградительные шары изготовлены из пластмассы, стойкой к атмосферным осадкам и ультрафиолетовому...Количество:Комплект заземления SE15 состоит из заземляющего зажима SM2.24, монтажной планки для зажима PSS116 и двух шурупов для установки на деревянную опору. тип код EAN Сечение провода, мм2, магистраль Материал отпайка диаметр провода, мм масса, г кол-во, шт. магистраль отпайка SE15 6418677401848 160-120 Fe или Al 6-35 Си 4.5-14 2.8-7.5 370 25Количество:Изоляторы серии SDI70, несмотря на легкий вес, имеют высокие механические и электрические характеристики. Изоляционная часть выполнена из жгута стеклянных нитей, пропитанного светостабилизированной резиной, и имеет двойную оболочку из силиконовой резины. Оконцеватель изготовлен из алюминия и рассчитан на петлю не менее 52 мм. Применяется со стальным тросом до 52 мм2. Изолятор испытан по МЭК 60383. Номинальная механическая нагрузка 48 кН,...Количество:Устройства защиты от дуги SDI27.2 используются совместно с композитными изоляторами SDI90.X на угловых опорах с натяжными зажимами типа SO181.6 и на натяжных опорах с натяжными зажимами типа SO255 или SO256. Комплект включает дугозащитные рога и проводник сечением 95 мм2 с кабельными наконечниками. Искровой промежуток регулируется в пределах 90-100 мм для линий напряжением 12 кВ, 130-150 мм для линий напряжением 24 кВ и 220-250 мм для...Количество:Ограничители перенапряжений нелинейные ОПН SGA1012.10 используются для защиты кабельных линий и подстанционного оборудования от перенапряжений. ОПН с маркировкой S3D2 снабжены изолирующим кронштейном. При перезагрузке встроенный в S3D2 разъединитель отключает ОПН от сети. тип код EAN номинальный разрядный ток, Ка номинальное напряжение, КВ масса, г количество в упаковке,...Количество:Зажим SL30 применяется для оперативного ответвления от неизолированных проводов. Зажим выполнен из коррозионностойкого алюминиевого сплава. Болты - из нержавеющей стали. При присоединении медных проводов дополнительно необходима гильза PSS830. Монтаж под напряжением производится с помощью изолирующей штанги (например, СТ48.64). Ответвление и временное заземление может быть выполнено с использованием зажимов SL30 совместно со скобами PSS923 и...Количество:Траверса SH188 применяется для одноцепных анкерных опор ВЛЗ 6-20 кВ с горизонтальным расположением фаз. штыри SOT24 входят в комплект. тип код EAN А, мм B, мм d, мм масса, кг SH188 6418677407031 450 100 M20 24,1Количество:Крюк внешнего угла SOT91.1используются при строительстве линий электропередачи с использованием провода СИП. тип код EAN D, мм К, мм В, мм L, мм МРН, FX, кН МРН, Fy, кН масса, г кол-во в упаковке, шт.. SOT91.1 6418677408120 M12 156 120 228 4.0 1.5 790 25Количество:Шарнирный ключ ST20 предназначен для монтажа зажимов всех типов и другой линейной арматуры. тип код EAN Размер наконечников, мм форма масса, г количество в упаковке, шт.. ST20 6418677408601 13 и 17 Шестигранник 300 1Количество:Оперативные поставки высоковольтного электрооборудования и арматуры от отечественных и зарубежных производителей осуществляются компанией «БазисЭнерго» за счет наличия собственного логистического центра. Если вам нужен анкерный зажим SO169.22550 для строительства линий электропередачи, оформите заявку на сайте или обратитесь в офис компании. Используются для анкерного крепления 2-жильного СИП на опорах или на стенах посредством...Количество:Влагозащищенные изолированные прокалывающие мультизажимы SL29.4 представлены в ассортименте компании «БазисЭнерго». Используются вместе с SLIP22.1, или SL16.24, или SL24 для организации 2-4 ответвлений от одного присоединения. тип код EAN сечение проводов, мм2, материал диаметр проводов, мм масса, г количество в упаковке, шт. SL29.4 6418677403682 2х(1.5-25) Cu или 2х(10-35)...Количество:Плашечный соединительный зажим для медных проводников SE12.1 применяется для соединения медных проводов без натяжения или присоединения проводников заземления. Зажим изготовлен из меди, болт из нержавеющей стали. тип код EAN сечение проводов, мм2, материал диаметр проводов, мм момент затяжки, н*м масса, г количество в упаковке,...Количество:Используется для крепления двух мачтовых рубильников на одной опоре. Изготовлен из алюминия. тип код EAN для мачтовых рубильников масса, г количество в упаковке, шт. РЕК41 6418677400377 2х160А 567 1Количество:Дистанционный фиксатор SO42.1 используется для фасадного крепления проводников СИП или кабелей. Расстояние от проводника до стены - 50 мм. тип код EAN D, мм просвет, мм крепежный элемент масса, г количество в упаковке, шт. SO42.1 6418677411762 3-13 50 6.7х160 винт 35 50Количество:Поддерживающий зажим SO220 применяется для крепления несущего троса подвесного оптоволоконного кабеля на прямых участках линии и на угловых опорах. Один поддерживающий зажим применяется на угловых опорах до 30° и два - на угловых опорах до 60°. Для парной подвески необходимо использовать коромысло SOT73. ТИП КОД EAN диаметр несущего провода, мм МРН, Нм усилие затяжки, Нм масса, г количество в...Количество:Устройства защиты от птиц SP62.3 используются с для поддерживающего зажима типа SO181.6. Изделия изготовлены из стойкого к атмосферным воздействиям и ультрафиолетовому излучению термопластичного материала. Устройства защиты от птиц предотвращают аварии, вызываемые птицами, животными или сломанными ветками деревьев на линиях с изолированными или неизолированными проводами. Благодаря защелкивающимся креплениям установка этих устройств...Количество:
Арматура для монтажа СИП-провода
Высококачественная арматура для монтажа самонесущего изолированного провода, представлена у нас в широком ассортименте. Постоянно расширяемый ассортимент включает в себя лучшие образцы арматуры для самонесущих изолированных проводов. Надежная арматура для СИП представлена изделиями для различных вариантов самонесущего провода, обеспечивая возможность прочного крепления проводников для безопасной эксплуатации электросети. В ассортименте представлены зажимы различного конструктивного исполнения, используемые для анкерного крепления провода, а также для создания необходимого количества ответвлений.
Герметичная СИП-арматура оснащена силиконовыми уплотнителями, исключающими проникновение влаги внутрь провода при выполнении прокола изолирующего слоя. Широкий ассортимент наконечников, изготовленных из коррозионностойких сплавов, позволяет подобрать наиболее удобный вариант для подключения провода к шинам распределительных щитов. Применение прокалывающих зажимов обеспечивает быстрый монтаж и стабильную эксплуатацию электросети за счет высокого качества получаемых контактных соединений.
Надежная арматура для СИП-кабеля, представленная в нашем ассортименте, включает в себя весь спектр компонентов, необходимых для организации быстрого электромонтажа, выполняемого в соответствии с установленными техническими требованиями. Различные варианты стальных оцинкованных крюков обеспечивают надежное крепление монтажных элементах на деревянных и железобетонных опорах, а также на стеновых поверхностях зданий. Ассортимент настенных креплений включает в себя фасадные фиксаторы, формирующих заданное расстояние между монтируемым проводом и стеновой поверхностью.
Мы поставляем высококлассную арматуру для прокладки самонесущего изолированного провода во все регионы России, а также в страны СНГ. Профессиональные консультации, предоставляемые нашими специалистами, помогают оформить оптимальную комплектацию заказа в соответствии с запланированным объемом работ.
